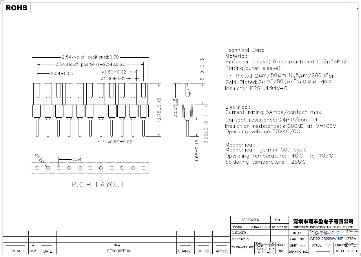
額定電流: 3A, AC/DC
額定電壓: 60V, AC/DC
使用溫度范圍: -40℃-+105℃
接觸電阻: 4MΩ max
絕緣電阻 : 1000MΩ min
產品應用:
工業(yè)控制系統(tǒng)、程控交換機、電腦、顯示器(屏)、儀器儀表、安防、汽車新能源、照明、數碼電器、機頂盒、通訊設備等領域

全國服務電話:0755-23003080 聯系手機:13380318687 QQ:310093919 微信:310093919
公司地址:深圳市寶安區(qū)西鄉(xiāng)街道鐵崗社區(qū)寶田一路360號嘉皇源商業(yè)大廈
Copyright © 深圳市聯豐盈電子有限公司 版權所有 粵ICP備19070498號

